HSD-1電流傳感器
產品名稱:HSD-1電流傳感器
產品編號:Pro200851510295
產品型號:
更新時間:2013.07.22
企業單位:
瀏覽次數:
產品編號:Pro200851510295
產品型號:
更新時間:2013.07.22
企業單位:
瀏覽次數:
產品詳細介紹:

YWG系列霍爾效應傳感器,可以測量任意波形的電流和電壓,輸出端能真實地反映輸入端電流或電壓的波形參數。針對霍爾效應傳感器普遍存在溫度漂移大的缺點,采用補償電路進行控制,有效地減少了溫漂對測量精度的影響,確保測量準確;具有精度高、安裝方便、售價低的特點。
YWG系列霍爾效應傳感器廣泛應用于變頻調速裝置、逆變裝置、UPS電源、通信電源、電焊機、電力機車、變電站、數控機床、電解電鍍、微機監測、電網監控等需要隔離檢測電流電壓的設施中。
二、產品命名方法

三、原理
YWG-HSD系列電流傳感器是一種原邊與副邊高度電隔離,副邊真實反映被測直流、交流、脈動電流等原邊波形的傳感器。它具有反應時間快、過載能力強、溫度特性好、輸出連續可調、性能穩定等優點。
四、技術性能指標
|
測量范圍 |
2IN |
頻率特性 |
0~10kHz |
|
過載能力 |
20IN |
絕緣耐壓 |
AC2.0kV/min·1mA |
|
精度等級 |
<1.0%IN |
工作環境 |
0~45℃ |
|
線性度 |
優于0.2% |
工作電源 |
±12V~±15V,+12V,+15V |
|
失調電壓 |
小于±20mV |
電源耗電 |
≤30mA |
|
溫度漂移 |
優于±100ppm/℃ |
阻燃特性 |
UL94-VO |
|
反應時間 |
小于10us |
內置電源浪涌、極性反接保護; | |
五、執行標準
QB/441600 17 113-2002
六、型號及參數
|
型 號 |
輸 入/輸 出 |
引 腳 接 線 |
|
YWG-HSD-1-50A |
0~50A/0~4V |
1: 正工作電源端
2: 負工作電源端
3: 測量輸出端
4: 公共接地端 5: 空腳 ![]() |
|
YWG-HSD-1-100A |
0~100A/0~4V | |
|
YWG-HSD-1-150A |
0~150A/0~4V | |
|
YWG-HSD-1-200A |
0~200A/0~4V |
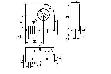
七、外形圖

八、注意事項
1.工作電源、輸出端須***正確連接,不能錯接;
2.對于兩個電位器,請不要隨意調整,若需調校,用小螺絲刀緩慢旋轉至所需精度即可;
3.原邊母線的溫度不應超過60℃;
4.當電流母線填滿原邊穿線孔時,獲得***佳的測量精度;
5.使用環境應無導電塵埃和無腐蝕金屬和破壞絕緣的氣體存在,海拔高度小于2500米;
6.測直流電流時,電流方向與產品外殼上所標示的箭頭同向時,才能得到正向輸出。


